2016 Gmc Wiring Schematics

2016 Gmc Wiring Schematics. I've put in 4 rigid d2 fog lights and need to re do the wiring. Get gmc wiring diagrams for your car or truck engine, electrical system, troubleshooting, schematics, free gmc wiring diagrams

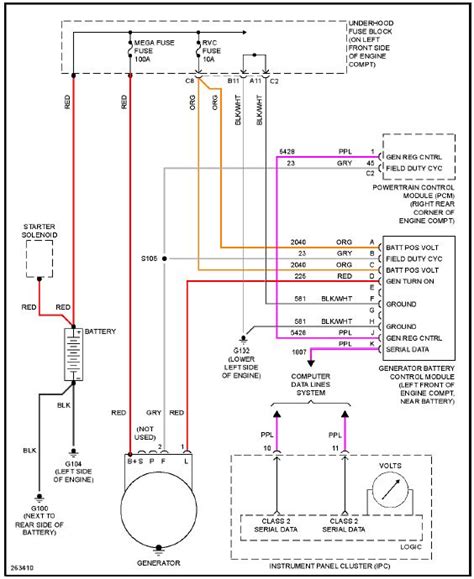
2016 Gmc Canyon Pcm Schematic Wiring Diagram Pinout
2016 Gmc Canyon Pcm Schematic Wiring Diagram Pinout from schematron.org

2016 gmc terrain owner’s manual.pdf: Get detailed instructions, illustrations, wiring schematics, diagnostic codes & more for your 2016 gmc canyon step by step instructions service & repair instructions specific to your 2016. Get gmc wiring diagrams for your car or truck engine, electrical system, troubleshooting, schematics, free gmc wiring diagrams

The First Step In Using A Gmc Wiring Diagram Is To Locate The Diagram For Your Specific Make And Model.


It shows a quick overview of the components involved and how they interact. It is the key to unlocking the potential of the vehicle’s electrical system, allowing you to install components such as lights, audio systems, and navigation systems. Download technical documents for technical information, materials descriptions, proper procedures, recommended gm repair stands and more for chevrolet,.

2016 Gmc Terrain Owner’s Manual.pdf:


Get detailed instructions, illustrations, wiring schematics, diagnostic codes & more for your 2016 gmc canyon step by step instructions service & repair instructions specific to your 2016. I've put in 4 rigid d2 fog lights and need to re do the wiring. View online or, if available, order printed copies for an additional fee.

I Am Wondering Where I Can Find Wiring Diagram/ Schematic For The Fog Lights On A 2019 Silverado 2500Hd Duramax.


Manuals and guides manuals and other helpful guides for your vehicle. 2016 gmc sierra 3500 hd owner’s manual.pdf: This (like all of our manuals) is available to download for free in pdf format.

This Video Will Show You How To Access The Complete Gmc Sierra Wiring Diagrams And Details Of The Wiring Harness.


Explore gm vehicle's owner manuals and guides to learn more about your vehicle and its many features. By utilizing the 2018 gmc sierra wiring diagram, you can easily make the repairs and upgrades needed to keep your truck running its best. When it comes to wiring diagrams, gmc offers a wide variety of options.

2016 Gmc Yukon Owner’s Manual.pdf:


Your safety is very important to us. Get gmc wiring diagrams for your car or truck engine, electrical system, troubleshooting, schematics, free gmc wiring diagrams A wiring diagram is a visual representation of how the wires in your gmc yukon are connected.