2Jzgte Engine Wiring

2Jzgte Engine Wiring. This harness completely replaces the 370z original engine harness with a pro series 2jz harness with proper fitment. Dual fan supported through factory wiring (for both oem and aftermarket ecus) supports proper power steering.

2Jzgte Engine Wiring Diagram and Jz Gte Engine Diagram List Of Wiring
2Jzgte Engine Wiring Diagram and Jz Gte Engine Diagram List Of Wiring from www.pinterest.com.mx

Today we’re kicking off part 1 of our 2jzgte wiring walkthrough. Supported a/c functionality with stock toyota lines and pressure sensor. We’ll be covering the 2jzgte ecu or more specifically the jdm aristo ecu pinout for any imported jdm.

This Harness Completely Replaces The 370Z Original Engine Harness With A Pro Series 2Jz Harness With Proper Fitment.


Dual fan supported through factory wiring (for both oem and aftermarket ecus) supports proper power steering. Today we’re kicking off part 1 of our 2jzgte wiring walkthrough. I've had a few requests for the 2jzgte vvti wiring and ecu pinouts, so here they are.

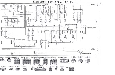
The 2Jzgte Vvti Wiring Diagram Is An Essential Component Of Any 2Jzgte Motor Build.


This wiring specialties pro series harness was designed from. First, the most important part of understanding the 2jzgte wire diagram is knowing what each color wire is used for. We’ll be covering the 2jzgte ecu or more specifically the jdm aristo ecu pinout for any imported jdm.

The 2Jzgte Wire Diagram Is Specifically Created For The Toyota 2Jzgte Engine.


Took me a little to put the ecu pinouts together so please enjoy! It is crucial that this diagram is properly drawn in order to ensure a successful engine. 2jzgte (non vvti & vvti) and 2jzge (vvti) wiring harnesses.

Each Wire Has A Specific Purpose And A Specific.


It includes all of the necessary information for someone to build or troubleshoot a 2jzgte. Supported a/c functionality with stock toyota lines and pressure sensor.